施工マニュアル CraftsmanBook
サンプロ施工マニュアル
menu
ホーム
共通
その他
1
ダンドリ
2
写真
1
現場日報
1
現場清掃
1
新築工事
[新築]EPS工事
2
[新築]FRP工事
1
[新築]ウレタン
1
[新築]タイル工事
3
[新築]内装工事
2
[新築]基礎工事
10
[新築]塗装工事
4
[新築]大工工事
39
[新築]屋根工事
7
[新築]左官工事
9
[新築]給排水設備
10
[新築]電気工事
7
リフォーム工事
[リフォーム]NGマニュアル
7
[リフォーム]UB断熱工事
3
[リフォーム]タイル工事
3
[リフォーム]仮設工事
3
[リフォーム]内装工事
24
[リフォーム]基礎工事
3
[リフォーム]外壁工事
1
[リフォーム]外装工事
3
[リフォーム]大工工事
30
[リフォーム]屋根工事
1
[リフォーム]左官工事
5
[リフォーム]断熱工事
2
[リフォーム]気密工事
1
[リフォーム]清掃工事
1
[リフォーム]解体工事
14
[リフォーム]電気工事
1
マニュアル編集
ホーム
マニュアル
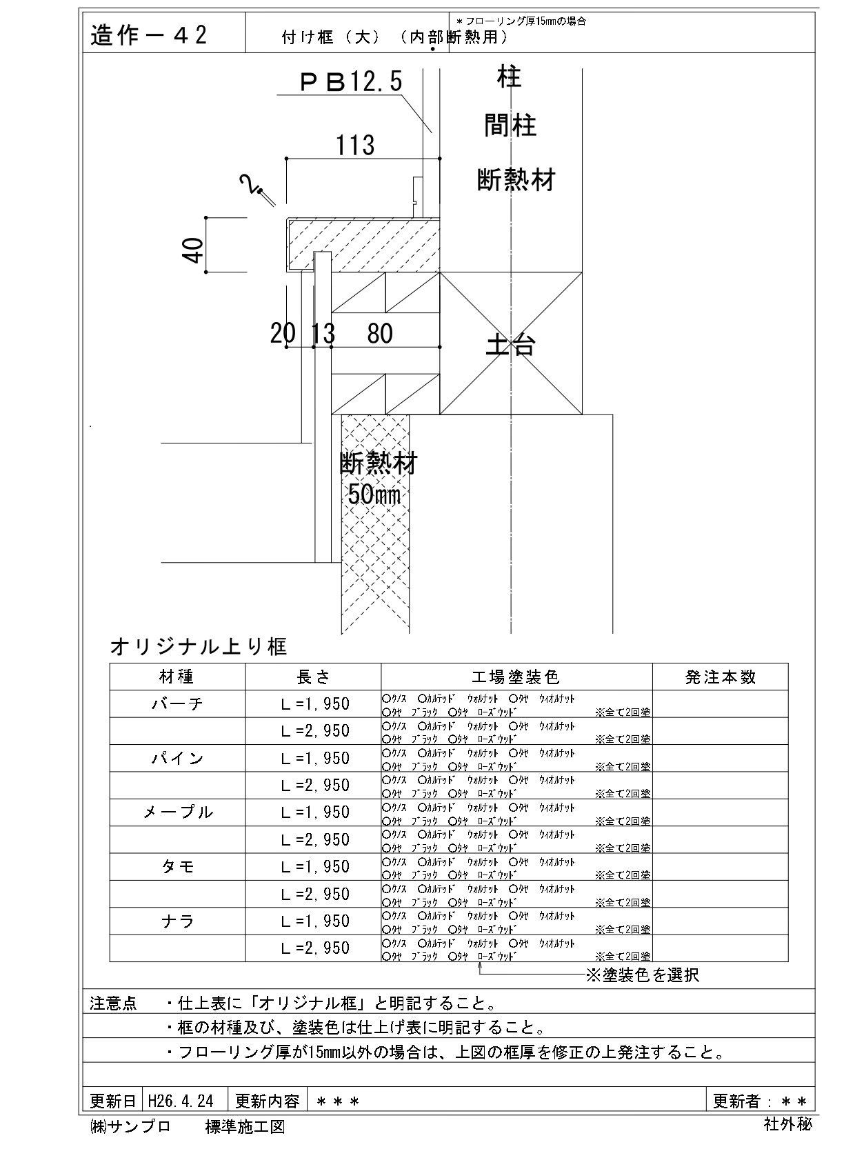
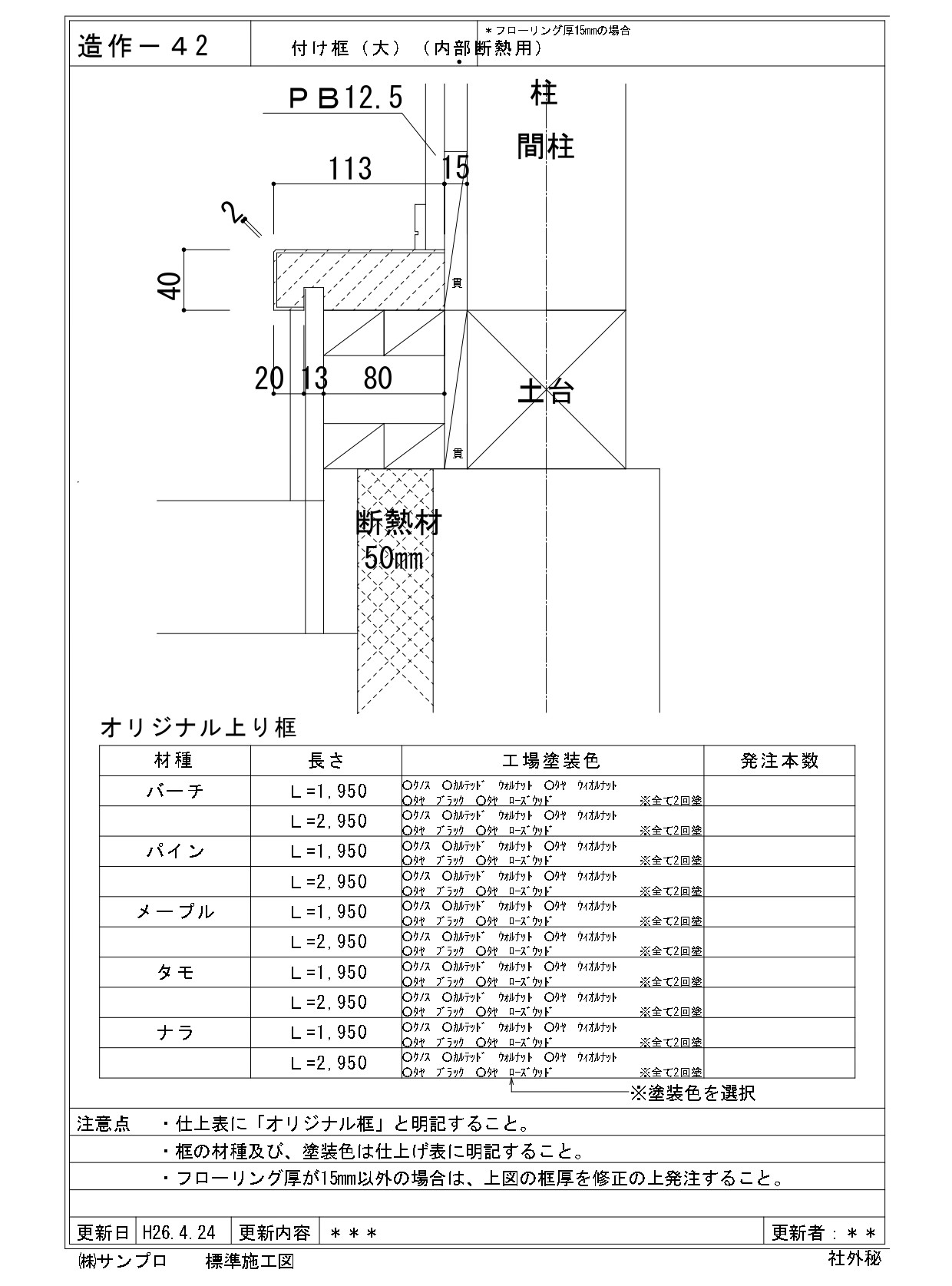
オリジナル付け框
[新築]大工工事
オリジナル付け框
〇建築設計
〇ライフィットハウス
基礎塗装
前の記事
物干し金物
次の記事
土台
カテゴリー:
[新築]大工工事
マニュアルを見る
マニュアルを見る
独立基礎、布基礎
カテゴリー:
[新築]大工工事
マニュアルを見る
マニュアルを見る
建て方:セルロース
カテゴリー:
[新築]大工工事
マニュアルを見る
マニュアルを見る
建て方:下屋
カテゴリー:
[新築]大工工事
マニュアルを見る
マニュアルを見る
建て方:養生
カテゴリー:
[新築]大工工事
マニュアルを見る
マニュアルを見る
モイス
カテゴリー:
[新築]大工工事
マニュアルを見る
マニュアルを見る
ミライエ
カテゴリー:
[新築]大工工事
マニュアルを見る
マニュアルを見る
柱頭柱脚金物
カテゴリー:
[新築]大工工事
マニュアルを見る
マニュアルを見る